Electromechanical Transducer for Ocean Wave Conversion

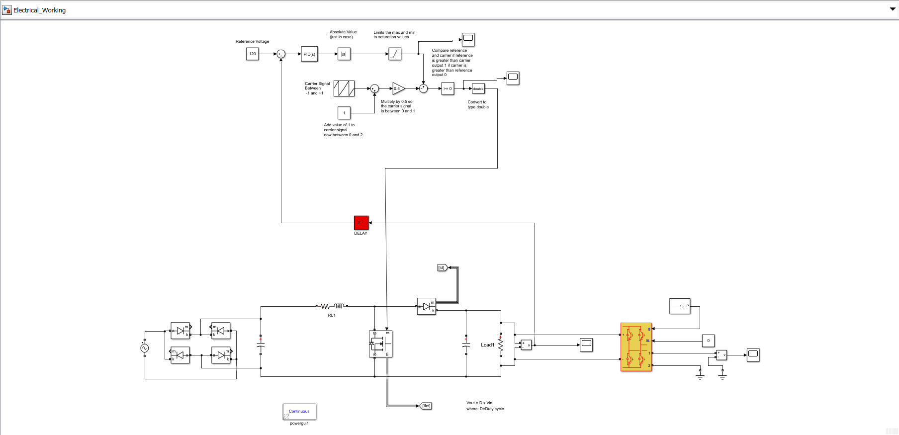
As part of a course project, my group was tasked to create a possible solution in harvesting the mechanical energy produced from ocean waves. This system implements concepts and theory that are fundamental to power electronics and actuators. These principles facilitate the proposed energy conversion method, producing an AC 120V, 60 Hz signal as the theoretical output. MATLAB and it’s graphical programming environment Simulink were used heavily in this project to simulate the model. To check out further details of the project, click the link below.

Previous
Previous

E-Waste FDM 3D Printer

Next
Next

DIY Bench Tools